
POMPE À PISTON PVH
POMPES HYDRAULIQUES


Nous proposons des pompes à piston eaton vickers à nos clients.
Série : PVH57, PVH63, PVH74, PVH81, PVH98, PVH106, PVH131 et PVH141
Pompes à pistons PVH à cylindrée variable à haut débit et hautes performances avec un ensemble plus petit et plus léger.
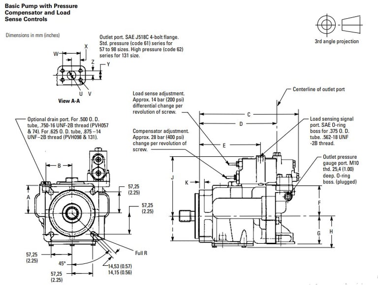
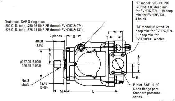
Les pompes à piston hydrauliques PVH sont conçues pour répondre aux exigences de performance en service continu de 250 bar (3625 psi).
Les séries PVH sont des pompes hydrauliques efficaces et fiables, avec une sélection de commandes en option pour une flexibilité opérationnelle maximale.
Principalement utilisé pour les gains de productivité et les améliorations de contrôlabilité souhaités dans le terrassement, la construction,
machines-outils, plastiques et tous les autres marchés soucieux de l'énergie.
POMPE À PISTON SÉRIE PVH POUR EATON VICKERS
Caractéristiques techniques




DESCRIPTION
Les pompes à pistons hydraulique industrielles ou mobile Eaton Vickers sont faciles à installer, efficaces et durables, même dans les applications et environnements les plus difficiles. Pour vos applications industrielles, mobiles ou agricoles, les pompes hydrauliques se déclinent sous plusieurs possibilités de combinaisons et d'utilisations.
Retrouvez chez nous l'ensemble des pompes hydraulique Eaton Vickers : PVH 57 PVH 63 PVH 74 PVH 98 PVH 131 PVH 140 ...
HydroRepar vous propose également les pièces détachées pour réparation de ces pompes, aussi une expertise et réparation sur ces modèles de pompe… Plus d’information, contactez-nous par mail ou par téléphone.




Nos marques


Et beaucoup plus


DANS LA MÊME CATÉGORIE







