
POMPE À PISTON PVE
POMPES HYDRAULIQUES
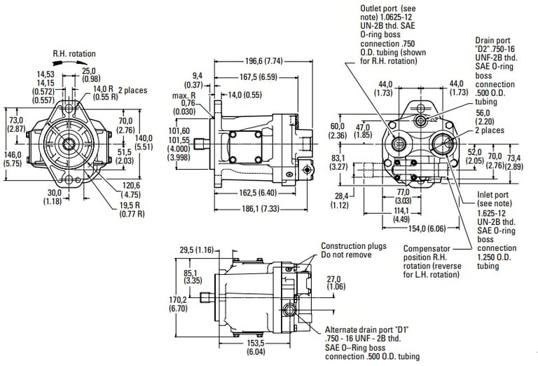
Caractéristiques techniques




DESCRIPTION
Les pompes à pistons hydraulique industrielles ou mobile Eaton Vickers sont faciles à installer, efficaces et durables, même dans les applications et environnements les plus difficiles. Pour vos applications industrielles, mobiles ou agricoles, les pompes hydrauliques se déclinent sous plusieurs possibilités de combinaisons et d'utilisations.
Retrouvez chez nous l'ensemble des pompes hydraulique Eaton Vickers : PVE 12 PVE19 PVE21 PVH ...
HydroRepar vous propose également les pièces détachées pour réparation de ces pompes, aussi une expertise et réparation sur ces modèles de pompe… Plus d’information, contactez-nous par mail ou par téléphone.




Nos marques


Et beaucoup plus


DANS LA MÊME CATÉGORIE











