
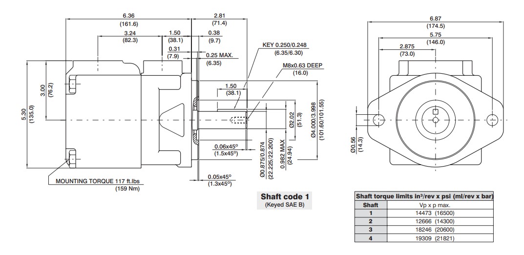
POMPE À PALETTES VT6C
POMPES HYDRAULIQUES
Caractéristiques techniques


DESCRIPTION
Les pompes à palettes sont des pompes rotative dont le rotor est muni de plusieurs lames (les palettes) qui coulissent radialement et assurent le transfert de fluide pompé .
Les pompes et les moteurs sont des machines et des actionneurs hydrauliques à fonctionnement inversé.
Alors que les pompes utilisent de l'énergie mécanique pour augmenter la pression d'un liquide, les moteurs utilisent une pression hydraulique pour générer un mouvement de rotation.
L'hydraulique est composée de produits qui génèrent un mouvement et une force sous deux conditions: qu'il s'agisse de fluides et qu'ils soient soumis à pression
HydroRepar vous propose également les pièces détachées pour réparation de ces pompes, aussi une expertise et réparation sur ces modèles de pompe… Plus d’information, contactez-nous par mail ou par téléphone.




Nos marques


Et beaucoup plus


DANS LA MÊME CATÉGORIE









