
LES DISTRIBUTEURS DIRECTIONNELS SÉRIE Z80
DISTRIBUTEUR HYDRAULIQUE MANUEL




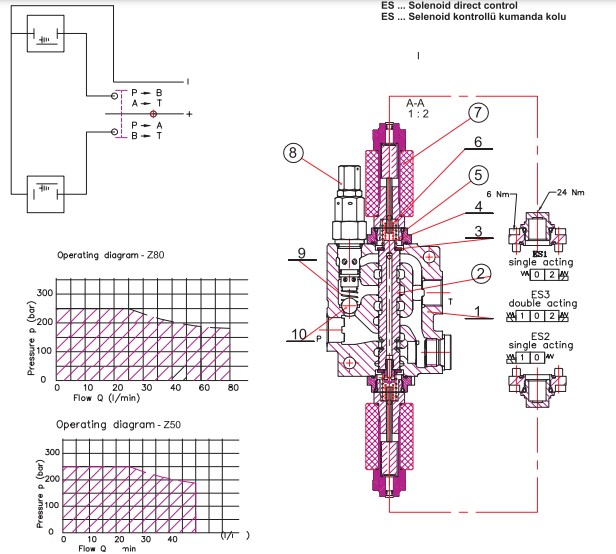
Vannes de commande directionnelles à solénoïde série Z80
Débit nominal : 80 litres/min
Max. Pression : P : 250 bar, T : 50 bar, AB : 300 bar
Type de bobine : Bobine standard à centre ouvert (bobine A), différentes options de bobine
Nombre de bobines : De 1 à 6
Fuite : Max. 40 cm 3 /min à 120 bar (de A, B à T)
Tension : 12 V ou 24 V DC
Plage de température du fluide : -10 o C … +80 o C
Fluide de travail : Huile hydraulique à base minérale
Viscosité : 10-100 cSt (Une huile hydraulique à base minérale de 46 cSt est recommandée, peut varier selon les climats)
Filtration : 10 selon NAS 1638
Données dimensionnelles du modèle Z80


1- Clapet anti-retour intérieur : Le clapet anti-retour à l'intérieur du corps de la vanne sert à garantir que l'huile hydraulique ne sera pas renvoyée.
2- Soupape de décharge intérieure : La soupape de décharge à l'intérieur du corps de soupape est capable d'ajuster la pression de service du système hydraulique.
3- voies d'huile : circuit parallèle, puissance au-delà de l'option
4- bobines, connecteur ISO4400 : 12VDC, 24VDC
5- Threads:P,A,B-G1/2, SAE10, T-G3/4,SAE12
6- Valve construction: Monoblock construction, 1-6 levers.
7- L'affûtage précis de l'alésage et le meulage de la bobine entraînent moins de fuites entre les ports et moins de gaspillage d'énergie. Ces valves précises permettent également des bobines interchangeables pour un entretien facile sur place.
Paramètres et caractère


DESCRIPTION
Les distributeurs directionnels sont l'un des éléments essentiels d'un système hydraulique. Ils aident à diriger le fluide vers différents composants du système.
Les vannes de la série Z80 avec construction monobloc moyenne-haute pression sont développées sur la base de la technologie européenne.
Les distributeurs monoblocs à commande solénoïde offrent un choix parfait, que vous conceviez un nouveau système ou que vous essayiez simplement de tirer le meilleur parti de votre système actuel. Dotées de deux tiroirs spéciaux et de 6 boîtiers monoblocs différents, ces vannes peuvent répondre aux besoins spécifiques de votre application et de vos schémas hydrauliques grâce à leurs tiroirs double effet en 3 positions A et D.




Nos marques


Et beaucoup plus


DANS LA MÊME CATÉGORIE









