
LES DISTRIBUTEURS DIRECTIONNELS SD18
DISTRIBUTEUR HYDRAULIQUE MANUEL


Vannes de commande monobloc pour applications à haut débit SD18
Marque : Walvoil
Débit nominal l/min - (US gpm) : 160 (42)
Max. Pression bar - (psi) : 250 (3600)
Nombre de sections : 6
Pas mm (in) : 53 (2,09)
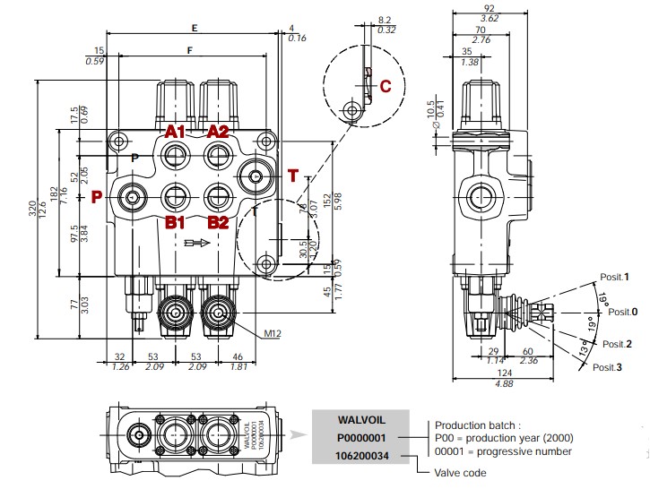
Données dimensionnelles du Vanne monobloc SD18


Installation & maintenance


DESCRIPTION
Les distributeurs directionnels sont l'un des éléments essentiels d'un système hydraulique. Ils aident à diriger le fluide vers différents composants du système.
Grâce à sa construction robuste, la vanne SD18 est utilisée dans les machines agricoles pour contrôler les moteurs des grandes tondeuses à flèche, ainsi que dans les véhicules industriels tels que les compacteurs de déchets et les systèmes de drainage.
- Clapet anti-retour simple
- Commandes manuelles, hydrauliques, électro-hydrauliques et pneumatiques.




Nos marques


Et beaucoup plus


DANS LA MÊME CATÉGORIE









